• Bem-vindo/a Convidado

    O ForUMM/For-UMM é um espaço público on-line de debate de temas ligados aos veículos da marca UMM, aberto a todos os interessados que nele queiram participar de acordo com as condições especificadas em Termos e Regras – ver no fim da página.

    Sem registo, não terá acesso à totalidade da informação que consta nesta plataforma!

    Após o registo deverá apresentar-se à comunidade, seguindo as regras apresentadas no momento de se apresentar. Após a aprovação da apresentação estará pronto para participar no ForUMM/For-UMM em toda a sua plenitude.

    Junte-se a nós! Esta comunidade recebe com gosto quem quer participar.

    A Administração, ForUMM.

Alter 2000: a viagem começa na garagem!

StreetGT

Tiago Cardoso
Staff
Registo
22 Jan 2019
Mensagens
3.310
Localização
Porto
Depois da estreia em sociedade, chega agora a parte mais “suja” da aventura: meter as mãos na massa! 😄

Ainda não será um restauro profundo (calma, ainda não é desta viro o chassis ao contrario!), mas a ideia é ir tratando do essencial, com calma e cabeça.

Pequenos passos, grandes viagens — e quem sabe, no futuro, talvez se transforme num verdadeiro restauro de raiz. Por agora... é ir afinando, ajustando e descobrindo o que este Alter 2000 tem para contar!

Começando pelo inicio, uma das primeiras coisas que tive de ver foi a bomba de direcção assistida, tinha sido acabada de trocar por uma nova aquando a aquisição, quem a aplicou não foi suficientemente inteligente para rodar o bocal do tubo de alimentação, ficando assim a tocar na longarina, o mesmo deverá ser rodado perto de 90º com muita paciência para não danificar, para o tubo poder sair para trás e subir para cima sem andar perto da longarina.

Aqui fica uma fotografia de como estava...
1751637106178.png
1751636698029.png


Seguido as "estorias", aqui fica uma aplicação que nunca tinha visto, o conjunto bomba / servo-freio de um Mitsubishi Carisma, muito idêntico ao do Pajero, foi feito uma "placa" de adaptação entre a bomba e o corta-fogo, sendo que no pedal esta no sitio original.
1751636937060.png

O "problema" atual maior, esta com relações atmosféricas tanto a frente como atrás, mas atrás temos um grande problema, pois é um eixo GKN e como é sabido de alguns, este eixo apenas conta com relações 5.38.
1751637031132.png
1751637069002.png

Uma das coisas que não admito e faz-me bastante confusão alguns dizerem "é mesmo assim", é andar com o selector da caixa de velocidades com folgas, quando por uma pequena de quantia de dinheiro fica muito, mas muito melhor.
Troquei todas as borrachas e sinoblocos que estavam gastos e ainda tive de fazer uma anilha de afinação "a mão", cerca de 1mm que tirei a dar ao bigode, sem esmeril.
1751637426657.png1751637313759.png
1751637394328.png

Para colocar o farol de nevoeiro original, toca a tirar o patim traseiro que havia sido inventado. Ainda estou indeciso se coloque o do Alter 2000 ou um do Alter 2, as palas obviamente vão ser trocadas.
1751637477985.png
1751637505804.png

E por agora é tudo.
 
Última edição:

show_time

UMMzão
Registo
9 Dez 2008
Mensagens
5.699
Localização
Portugal
Boas,

Vais manter esse conjunto de bomba e servo?
Esse carrinha sem pingas, sem folgas e com uns farolins novos vai ficar um mimo.

Como já te tinha referido, o patim do alter 2000 fica muito muito giro 😉
Abracumm
 
Registo
17 Mar 2017
Mensagens
578
Localização
Estarreja-Aveiro
essa traseira é só marcas de guerra ai por cima dos farolins :ROFLMAO: :ROFLMAO:

força nesses reparos! é disto que o povo gosta, fotos com fartura ;)
 

bjc

UMM
Registo
16 Dez 2020
Mensagens
705
Localização
Pougny, França
Força com isso 👍

Esses barulhos da alavanca é daqueles que tem tendência a enervar, olha e por acaso aqui à uns tempos andei lá de volta e experimentei a tua ideia da fita de Téflon e por agora ainda não voltaram 😉
 

MarioMachado

Mestre
Registo
31 Out 2008
Mensagens
7.040
Localização
Cortegaça
Agora compreendo porque o antigo dono vendeu o carro!
Percebeu que estava na hora de se livrar de uma grande dor de cabeça!
Por um lado ainda bem que foste tu a ficar com esse jipe porque nas mãos erradas ele poderia ser um bom candidato a continuar a apodrecer até não haver muito a fazer por ele.
Tens de ver como está o interior dessas longarinas Tiago.
O resto, melhoramentos estéticos,eixos, folgas e fugas são coisas que a seu tempo se fazem sem problemas
Já adiar a intervenção nos avanços da corrosão tem de ser evitado.
Se quiseres explico como limpar essas longarinas de uma ponta à outra sem grandes dificuldades 😉
Continuação de bons trabalhos Tiago
 

StreetGT

Tiago Cardoso
Staff
Registo
22 Jan 2019
Mensagens
3.310
Localização
Porto
Força com isso 👍

Esses barulhos da alavanca é daqueles que tem tendência a enervar, olha e por acaso aqui à uns tempos andei lá de volta e experimentei a tua ideia da fita de Téflon e por agora ainda não voltaram 😉
O teflon ajuda porque reduz as vibrações, mas o teflon nao resolve as folgas cronicas.

Agora compreendo porque o antigo dono vendeu o carro!
Percebeu que estava na hora de se livrar de uma grande dor de cabeça!
Por um lado ainda bem que foste tu a ficar com esse jipe porque nas mãos erradas ele poderia ser um bom candidato a continuar a apodrecer até não haver muito a fazer por ele.
Tens de ver como está o interior dessas longarinas Tiago.
O resto, melhoramentos estéticos,eixos, folgas e fugas são coisas que a seu tempo se fazem sem problemas
Já adiar a intervenção nos avanços da corrosão tem de ser evitado.
Se quiseres explico como limpar essas longarinas de uma ponta à outra sem grandes dificuldades 😉
Continuação de bons trabalhos Tiago
heheh não, estas enganado, tu e alguns que pensavam isso.

Quando andava nas maos do Marote a razão era essa, por isso deixou ficar o jipe no estado que ficou, tinha podres, andava com relações 4.89 a frente e 5.38 atrás e entre outras muitas coisas...

Depois que regressou as mãos do Nicolau (o dono original, foi quem o comprou e o levou para a Madeira) a historia já é outra, fez-lhe uma intervenção, não digo que esta um trabalho bem feito ou perfeito porque isso é subjetivo a opinião de cada um, mas dentro das possibilidades dele resolvou onde estava pior.

Ultimamente pouco andava na rua... e porque? Ele tem vários UMM's, um longo e varios normais, hoje em dia ele prefere andar de Mercedes Vito e deixar e ir buscar os turistas, alguns entusiastas ainda pensavam que o jipe estava igual, com podres.

Além disso, a oferta de UMM's de atividade turistica na Ilha da Madeira aumentou consideravelmente, diria que em 10 UMM's que vês, 6 são de turismo, sempre que lá vou há UMM's novos a circular em turismo, ainda no mês passado vieram cá uns madeirenses comprar 2 UMM's para turismo, um deles esta na oficina do Terrax4.

As longarinas aparentam estar em excelente estado, diria que estes 2000's o problema é a chapa exterior já que as longarinas eram mergulhadas num banho antes de serem pintados.

Aqui ficam algumas fotos do cofre do motor, ja conta com bomba mecanica de um 306 1.9.
1751713231921.png

O tanque de expansão apesar de parecer original já não é, este é de um Peugeot 406 enquanto que estes UMM's usavam exatamente igual ao Peugeot 605 / XM ou Vitara 1.9.
1751713349567.png

Os bocais do radiador da sofagem são diferentes do de 1993.
1751713409109.png
 

Patrick

UMM
Registo
16 Ago 2009
Mensagens
1.138
Localização
Portugal
Longarinas corta os topos para ver e se necessitar refoca com dupla tubagem, ou seja longarina dentro de longarina que assim se um dia meteres guincho não dividirás o carro em 2
 

Aldeia

Administrator
Staff
Registo
31 Jul 2006
Mensagens
7.753
Localização
Portugal
Tens o melhor UMM possível para viajar, mas nesse em particular, apostaria numa capota de chapa.
 

StreetGT

Tiago Cardoso
Staff
Registo
22 Jan 2019
Mensagens
3.310
Localização
Porto
Retiramos o velho e aproveitando a parte laranja e os fios fazemos novo.

1752578998627.png1752579011006.png1752579041227.png1752579084870.png


Inspirado no do @pcosta mas com as linhas mais próximas do original "Alter", feito em ASA em impressão 3D
1752579135494.png


1752579176904.png




Eis que surge o primeiro problema mecânico, ligou a luz avisadora de falta de agua no vaso de expansão enquanto fazias uns testes aqui na estrada, não é que o sensor no vaso de expansão funciona bem?

1752579399297.png


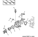
Identifiquei uma fuga junto da peça 5, uma falange, com aspecto novo, com silicone a volta.
Em algumas aplicações XUD11 entre a 5 a 1 leva o termostato, nesta aplicação o termostato fica a beira da bomba de agua...

Então se a peça é nova como é que tem fuga? Porque os mecânicos hoje em dia não se dão ao trabalho de perceber como as coisas funcionam ou deveriam funcionar, o retentor 3 está lá por algum motivo, é um retentor rígido, diferente de um retentor/o-ring que leva a volta de um termostato (ranhurado a toda a volta), é óbvio que colocar silicone a volta da 5 ou um o-ring de um termostato não ia fazer estanque.

O retentor 3 já é um retentor difícil de encontrar, não vem em kits, por isso fiz umas pesquisas e lá consegui encontrar em Faro...

1752579315465.png
1752579367855.png

A tal aplicação com termostato nesta zona.
1752580018038.png

Moldes para os tapetes também já feitos e prontos a seguirem para uma fábrica.
1752579933546.png
 

Caspius

Iniciado
Registo
29 Jan 2024
Mensagens
42
Localização
Lisboa
Impecável, passo a passo!

Que espelhos tem ele actualmente? Era suposto os 2000 terem também espelhos de 93 ou é algo mais exótico ainda?
 

StreetGT

Tiago Cardoso
Staff
Registo
22 Jan 2019
Mensagens
3.310
Localização
Porto
Começamos também por dar uma vista de olhos a sofagem.

Em primeiro lugar já arranjei uma das peças que procurava, o tunel de encaminhamento de ar, como este é de 1993 fica a faltar uma peça que já mandei cortar e quinar.
1753101560583.png
1753101618505.png1753101600983.png


Aqui podemos ver o radiador da sofagem com torneira integrada, um acrescento que não existe no radiador de 1993.
1753101070574.jpeg

Toca a desmontar o ventilador que já não era usado a uns anos
1753101057060.png


Depois de muito WD40, a funcionar perfeitamente em todas as velocidades.
1753101165088.png

A proxima coisa agora a rever é o circuito de água, já que o mesmo esta alterado (derivado a terem anulado a sofagem).

De origem a sofagem usa este tubo:
1753101287974.png

Atualmente não tenho esse tubo, esta com um bypass feito numa das relas da cabeça do motor para ter circulação, usaram uma rela de um XUD7 / XUD9.
1753101396619.png1753101317759.png
1753101447869.png
 

Aldeia

Administrator
Staff
Registo
31 Jul 2006
Mensagens
7.753
Localização
Portugal
Tiago, recordo-me que substitui esse tudo por estar podre, mandei fazer um em cobre. Tem um encaixe junto ao bloco que deves replicar. Lembro-me que foi feito assim porque era difícil de arranjar e bastante caro (uns 100 euros). Como era para aplicação, o tubo pode ter uma forma distinta. Logo envio fotos.
 
Top Inferior